IBM 51xx PC Family Computers

This website (minuszerodegrees.net) is intended to be a reference for computer-savvy people who are already familiar with the IBM 51xx PC family of vintage computers.
This website contains information that ranges from basic to very technical.

This website is not intended to be viewed via a mobile/cell phone.

For queries or assistance, I suggest that you seek that at the Vintage Computer Federation Forums.
  australian_made.png

Manuals
 
IBM 4860/5140/5150/5155/5160/5162/5170
IBM Options and Adapters
IBM Hardware Maintenance Service
IBM Hardware Maintenance Reference
IBM DOS
IBM - Some documentation errors
 
Third Party
 
 
 
 
 
4860 =  PCjr
5140 =  PC Convertible
5144 =  PC Convertible Monochrome Display
5145 =  PC Convertible Color Display
5150 =  PC
5151 =  Monochrome Display
5152 =  Graphics Printer
5153 =  Color Display                      ( display for CGA )
5154 =  Enhanced Color Display     ( display for EGA or CGA )
5155 =  Portable PC                        ( actually, a portable XT )
5160 =  XT
5161 =  Expansion Unit
5162 =  XT Model 286         ( XT/286 ) ( an AT class system, not XT )
5170 =  AT
5175 =  Professional Graphics Display      ( display for PGC )
5181 =  PC Compact Printer                     ( intended for the IBM PCjr )
5182 =  PC Color Printer


IBM 4860

Documentation
IBM 5126

Documentation
IBM 5140

Documentation
IBM 5144 / 5145

Documentation


IBM 5150  (IBM PC)  
   
Basics Power Supply
Documentation Power Measurements
Motherboard Switch/Jumper Settings Minimum Diagnostic Configuration
Known Problems/Issues Test of SW1 and SW2 via BASIC
Motherboard Versions Keyboard Support
BIOS Revisions VGA Cards
Some IBM Expansion Cards and Options Disk Cover Plate
Memory Map of the 640 KB to 1 MB Area Substituting the U33 BIOS ROM
RAM Information 10/27/82 BIOS - Problem of less than 4 banks of RAM
Floppy Drive Support Early Versions
Hard Drive Support External 3.5" diskette drive
Motherboard Diagrams Adding a Real-Time Clock (RTC)
Cassette BASIC 8087 Math Co-Processor (NPU)
Startup Sequence RAM Refresh
POST - Some Errors  
POST - Detailed Breakdown IBM 4450 - Tempest version of 5150
   


IBM 5151

Documentation
Known Problems/Issues
Power Up
Video Cable
CRT's Cathode Heater
Flyback Transformer
IBM 4451 - Tempest
IBM 5152

Documentation
Power Up
Ribbon
IBM 5153

Documentation
Known Problems/Issues
Power Up
Video Cable
Dark Yellow to Brown
IBM 4453 - Tempest
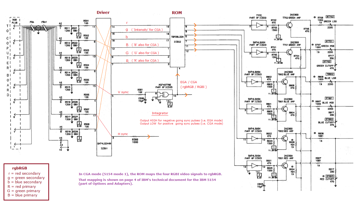
IBM 5154

Documentation
Known Problems/Issues
Power Up
Video Cable
Flyback Transformer
Colour Mapping


IBM 5155  (IBM Portable PC)  
   
Basics Power Supply
Documentation Power Measurements
Motherboard Switch/Jumper Settings Minimum Diagnostic Configuration
Known Problems/Issues Test of SW1 via BASIC
Motherboard Versions Expansion Slot 8
BIOS Revisions Photo of Inside
Some IBM Expansion Cards and Options CRT Display Unit
Memory Map of the 640 KB to 1 MB Area External 3.5" diskette drive
RAM Information Adding a Real-Time Clock (RTC)
Floppy Drive Support 8087 Math Co-Processor (NPU)
Hard Drive Support  
Motherboard Diagrams  
Cassette BASIC  
Startup Sequence  
POST - Some Errors  
POST - Detailed Breakdown  
   


IBM 5160  (IBM XT)  
   
Basics Power Supply
Documentation Power Measurements
Motherboard Switch/Jumper Settings Minimum Diagnostic Configuration
Known Problems/Issues Test of SW1 via BASIC
Motherboard Versions Keyboard Support
BIOS Revisions VGA Cards
Some IBM Expansion Cards and Options Expansion Slot 8
Memory Map of the 640 KB to 1 MB Area Significant Differences to the IBM 5150
RAM Information IBM/Xebec HDD Controllers Supplied
Floppy Drive Support Hard Drive Cabling
Hard Drive Support External 3.5" diskette drive
Motherboard Diagrams Adding a Real-Time Clock (RTC)
Cassette BASIC 8087 Math Co-Processor (NPU)
Startup Sequence RAM Refresh
POST - Some Errors  
POST - Detailed Breakdown IBM 4455 - Tempest version of 5160
   


IBM 5161  
   
Basics Cable
Documentation Photos
Extender Card - Switch Settings Modern Reproductions
5160 models not supported IBM 4458 - Tempest version of 5161
   


IBM 5162  (IBM XT Model 286)  
   
Basics Power Supply
Documentation SETUP Procedure
Motherboard Switch/Jumper Settings Battery
Known Problems/Issues 80287 Math Co-Processor (NPU)
Motherboard Versions POST - Codes
BIOS Revisions  
Some IBM Expansion Cards and Options Photos
Memory Map of the 640 KB to 1 MB Area  
RAM Information  
Floppy Drive Support  
Hard Drive Support  
Motherboard Diagrams  
Cassette BASIC  
Startup Sequence  
   


IBM 5170  (IBM AT)  
   
Basics Power Supply
Documentation SETUP Procedure
Motherboard Switch/Jumper Settings Battery
Known Problems/Issues 80287 Math Co-Processor (NPU)
Motherboard Versions Keyboard Support
BIOS Revisions POST - Codes
Some IBM Expansion Cards and Options POST - Some Errors
Memory Map of the 640 KB to 1 MB Area  
RAM Information Failures of the CMI 6426 Hard Drive
ROM Information Load Resistor
Floppy Drive Support  
Hard Drive Support Motherboard Sockets U17/U37
Motherboard Diagrams IBM 4459 - Tempest version of 5170
Cassette BASIC  
Startup Sequence  
   


IBM 5175

Documentation
IBM 5181

Documentation
IBM 5182

Documentation
IBM 4454 - Tempest version of 5182


ROM's  
   
Images of Various ROM's EPROM Programmers
Images of BIOS ROM's for IBM 5150/5155/5160/5162/5170 EPROM Programming Services
Images of BIOS ROM's for Certain XT Clones  
Images of BIOS ROM's for Certain AT Clones  
   
Ruud's diagnostic ROM for IBM 5150/5155/5160  
Supersoft/Landmark Diagnostic ROM's for IBM 5150/5155/5160/5170  
   


Miscellaneous  
   
Programs Commonly Failing Electronic Components (in vintage computers)
RTC Programs Changes to the ST-506/ST-412 Interface
MDA / CGA / EGA Micro Solutions Backpack CD-ROM Drive
BIOS Video Modes Transferring Files From a Modern PC to an Old PC
POST Cards History of 5150/5155/5160/5170 Motherboard Failure at the VCF
Resources at Other Internet Sites Floppy Crossover Cable - Wiring
Serial ports Timeline
DOS Microsoft Mouse
Some Floppy Maths Kodak Disk Drive Analyzer
Test Equipment Laplink
System Board Photos AT2XTKB Keyboard Converter
   


Out of Scope  
   
XT-IDE Card Hard disk drive clocks
ESD ICs mounted in frame
Laptops - External Power Supply - Unregulated versus Regulated  
15 things about programming Some electronics information
'CMOS' batteries Trio CS-2110
BIOS passwords  
BIOS settings  
eBay lingo Ray's playlist
Criticality Ray's thoughts
-0°  
Writing Failures Funny
   


Index  
   
Partial index